产品销售热线:
18168876888
邮箱:
2136088888@qq.com
首页
关于我们
产品展示
执行元件
控制元件
气源处理件
辅助元件
营销网络
新闻动态
技术支持
联系我们
首页
>
产品展示
>
滑台气缸
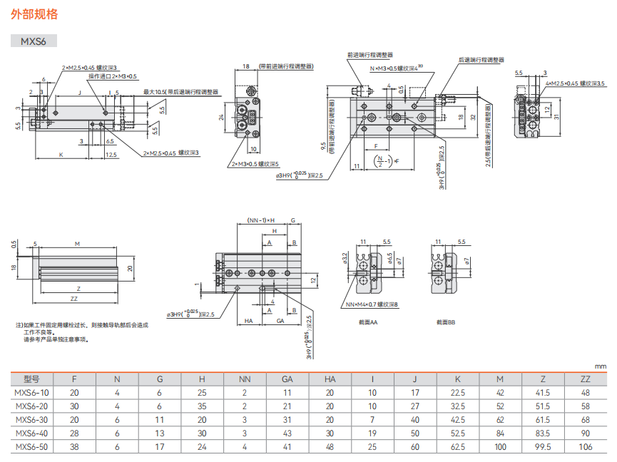
MXS 系列气动滑台
产品内容介绍
下一篇:
MXQ 系列气动滑台 - 高度互换型