产品销售热线:
18168876888
邮箱:
2136088888@qq.com
首页
关于我们
产品展示
执行元件
控制元件
气源处理件
辅助元件
营销网络
新闻动态
技术支持
联系我们
首页
>
产品展示
>
气动手指/手爪
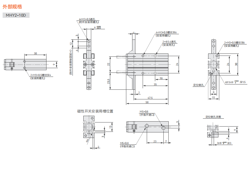
MHY2 系列 180°开闭型凸轮式气爪
产品内容介绍
上一篇:
MHS2 系列平行开闭型气爪/2 爪
下一篇:
MHC2 系列支点开闭型气爪